UWB定位3種定位算法:TOF定位算法、TDOA定位算法和TOA定位算法
發布日期:2019-07-29 瀏覽次數:1938次
本文95power小編介紹下超寬帶UWB定位的三種常用定位算法,包括TDOA定位算法、TOF定位算法、TOA定位算法。
(一)TOF定位算法
基于TOF的定位方法與基于TOA的定位方法在本質上是相同的,而TOF測距不依賴基站與標簽的時間同步,故沒有時鐘同步偏差帶來的誤差,但TOF測距方法的時間取決于時鐘精度,時鐘偏移會帶來誤差。為了減少時鐘偏移量造成的測距誤差,通常采用正反兩個方向的測量方法,即遠端基站發送測距信息,標簽接收測距信息并回復,然后再由標簽發起測距信息,遠端基站回復,通過求取飛行時間平均值,減少兩者之間的時間偏移,從而提高測距精度。
(二)TDOA定位算法
基于TDOA的定位方法又稱為雙曲線定位,其原理是通過測量UWB信號從UWB標簽到兩個UWB基站之間傳播時間的差值,得到UWB標簽到兩個UWB基站之間的固定距離差。TDOA算法是對TOA算法的改進,它并不是直接利用信號到達時間,而是利用多個UWB基站接收到信號的時間差來確定移動目標的位置。因此與TOA相比并不需要加入專門的時間戳來進行時鐘同步,定位精度相對有所提高。
(三)TOA定位算法
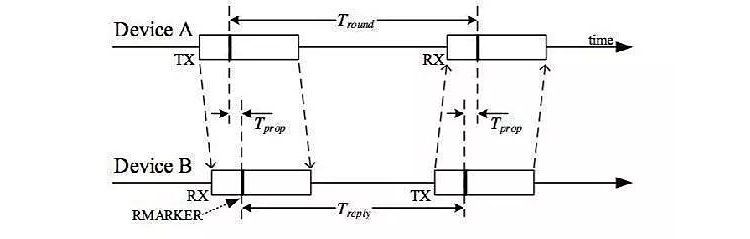
TOA定位算法即“到達時間”,這種方式定位是通過UWB基站和UWB標簽之間的多次通信實現的,如下圖:

1、UWB基站首先發給UWB標簽一個包,同時記錄下UWB基站當前的時間信息,記為T1。
2、UWB標簽收到基站的信息,返回一個ACK。
3、UWB基站收到UWB標簽的ACK,記錄當前的時間信息,記為T2。
4、UWB基站計算時間差Tr = T2 - T1,并且根據此計算出距離。
d = c * Tr / 2 其中c為光速。
當然,實際應用中為了更加靠譜,往往不僅僅是利用兩次通信來測距,還會有更加復雜的多次通信來提高精度。
對于空間定位,只需要利用SX(球面相交法)便可以得出最后的坐標。
可見,為了一次定位,每個UWB基站和UWB標簽之間要進行兩次通信,故又將這種定位方式稱為“Two-way-ranging”,簡稱“TWR”。這種定位的優勢在于其實現的便捷性和對硬件的寬容,只需要有幾個擺放在不同位置的UWB基站和一個UWB標簽便可進行定位,缺點首先自然是定位速度了,其次,由于每次通信的質量無法保證,而一對UWB基站/UWB標簽又無法做自我的校準,精度自然也會受到影響。
TDOA即“到達時間差”,這種方式的一次測距是由兩個UWB基站和一個UWB標簽實現的。在這種模式下,多個時鐘完全同步的UWB基站同時接受來自一個UWB標簽的包,對于不同位置的UWB基站,同一個UWB標簽的同一次廣播包到達的時間是不同的,所以便有有以下算法:
1、UWB標簽發出一個廣播包。
2、 兩個UWB基站接收到同一個包,UWB基站1接收到的時間為T1,UWB基站2接收到的時間為T1。
3、計算時間差Td = T2 - T1。
4、對于至少四個UWB基站,可以得到三組這樣的兩兩之間的信息。
5、通過數學方法(multi-lateration)可以解算出UWB標簽的空間坐標。
由于算法比較復雜,這里不再贅述。由此可見,TDOA的優勢首先在于一次定位的通信次數顯著減少,其次由于是用時間差而非絕對時間進行測距,其精度也比TOA高出一些。但要保證TDOA系統中各個UWB基站的時鐘必須嚴格同步,深圳微能信息(95power)的UWB定位系統方案基于TDOA定位算法,根據現場不同的定位環境,精度誤差在10厘米-30厘米。UWB定位方案和硬件廣泛應用于隧道、變電站、電廠、監獄等場所人員定位。更多UWB定位的信息可咨詢95power小編。
UWB定位算法供應商,深圳市微能信息科技有限公司,網站:http://www.szzh88.cn

